- именно! Я поэтому второй рисунок и добавил, заготовка одна, держать есть за что.Михаил Комаров писал(а):сделать деталь длинную
А что с чертежами? Давайте уменьшу до нужного размера (нарисуйте где нить привязку)
Модераторы: Roman Roganov, FreeLander, Valentin Demin
- именно! Я поэтому второй рисунок и добавил, заготовка одна, держать есть за что.Михаил Комаров писал(а):сделать деталь длинную

Топорно имхо. У Михаила столбики уже лучше, а крышка должна соответствовать.egen писал(а):Для размера 1/60 автор
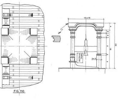
Ну мне немного по другому видится. Та на фото (красная стрелка) четко видно, что крыша медная,прибита гвоздиками. Зачем делать всю деревянную? Проще склеить 4 фигурных фасада и накрыть крышкой. Крышка изготавливается из отожженой меди. Шаблон из куска доски,контур выпиливается на ленточной пиле. Величина пропила и будет толщиной медной крыши. После пропила слегка прошкурить. А если медную пластину зажимать между листами тонкого пластика или даже толстой бумаги, то вообще гладенькая будет. Остальное в картинкахМихаил Комаров писал(а):Добрый день. Может у кого возникнут идеи, как технологически построить вот эту крышу. Просто идею. В голове что-то крутится, а ясной картины не видно.
Там вполне ПОСа хватит. Кстати, отрезать под 45 гр можно на самом деревянном штампе. После вытяжки двух крышек он в принципе не нужен, в верхней части можно сделать пропилы под 45 гр. по разметке крыши. Потом между ними зажимается сама крыша и запиливаетсяМихаил Комаров писал(а):Я этот вариант рассматривал одним из первых. Тем более с металлом дружу лучше, чем с деревом. Делать не пробовал, посчитал, что масштаб мал. Потом ладно, спаяю крышу, а торцы с площадками такого малого размера, ни зажать чем-то, ни в руках удержать. Вот если сначала сделать , как мы тут говорили, а потом на эту конструкцию сделать такую медную крышу была бы красота. Спаять серебром, хорошо зашкурить и зачернить. Будет крыша даже без швов.
Олег Серегин писал(а):а свинцом не могло быть оббито? медью-то действительно вряд ли - дороговато
 
   
   
   Порадовали.....
   Порадовали..... И стоимость не смущала
  И стоимость не смущала   А тут....
  А тут.... 
   
   А вот еще круче придумал
  А вот еще круче придумал   
   
   . Сделать крышу из меди, а потом обшить ее деревом на циакрине.
 . Сделать крышу из меди, а потом обшить ее деревом на циакрине.