Такелаж галеона 16-17 века
Модераторы: FreeLander, Valentin Demin
- kotbayun
- Сообщения: 1421
- Зарегистрирован: Ср дек 03, 2008 1:17
- Откуда: La Habana
- Благодарил (а): 63 раза
- Поблагодарили: 79 раз
Re: Такелаж галеона 16-17 века
В один ненастный день, в тоске нечеловечьей,
Не вынеся тягот, под скрежет якорей,
Мы всходим на корабль, и происходит встреча
Безмерности мечты с предельностью морей.
Не вынеся тягот, под скрежет якорей,
Мы всходим на корабль, и происходит встреча
Безмерности мечты с предельностью морей.
- kirill4.66
- Сообщения: 3131
- Зарегистрирован: Пт сен 30, 2011 12:31
- Откуда: Санкт-Петербург
- Благодарил (а): 618 раз
- Поблагодарили: 219 раз
Re: Такелаж галеона 16-17 века
Доброго времени,kotbayun писал(а):Кирилл. с блиндом всё просто. 8 страничек:блинд+бом-блинд 17-й в.
http://ifolder.ru/26173016
С блиндом -да,спасибо за сноску- Хоккель это хорошо,а Андерсон еще лучше(более подробно+привязка к конкретным источникам)
вопрос же мой каксательно такелажа галеона конца16-начала17 века узконаправленный,в данном конкретном случае- если смотреть на гравюры современников(ниже,фрагменты иллюстраций из книг Bjorna Landstrom и Peter Kirsch),то насколько я понимаю изображенное, блинда -рей подвешен к бушприту не на слинге,... на одной из гравюр правда хорошо виден ракс бугель,но опять же ,на остальных гравюрах и на паре совр.реконструкций-видно что рей соединяется с бушпритом посредством талей...как по Вашему мнению конструктивно должен быть исполнен такой узел, свою версию я приводил выше по ветке?
На" стапеле": Spanish Galleon Lee 1:100 plastic kit http://karopka.ru/forum/forum190/topic10341/
https://shipsofscale.com/sosforums/thre ... eted.7827/
https://www.rijksmuseum.nl/en/rijksstud ... tions/arts
https://shipsofscale.com/sosforums/thre ... eted.7827/
https://www.rijksmuseum.nl/en/rijksstud ... tions/arts
- eugen.t
- Сообщения: 2848
- Зарегистрирован: Вс сен 02, 2007 20:12
- Откуда: Baden-Württemberg
- Благодарил (а): 147 раз
- Поблагодарили: 473 раза
Re: Такелаж галеона 16-17 века
информация от Мондвельда...
к началу 17 века использовался двойной ракс затем слинг
к началу 17 века использовался двойной ракс затем слинг
- kirill4.66
- Сообщения: 3131
- Зарегистрирован: Пт сен 30, 2011 12:31
- Откуда: Санкт-Петербург
- Благодарил (а): 618 раз
- Поблагодарили: 219 раз
Re: Такелаж галеона 16-17 века
Спасибо за ответ,но цитаты из Мондфельда или Хоккеля не проясняют ситуацию
у нас как-то обсуждение зациклилось...я бы очень хотел услышать Ваши комментарии того, что изображено на приведенных фрагментах...по мне так в этом случае рей просто подвешен на талях,без слингов или ракс бугелей...или я не прав?...почему бы нам самим не сделать реконструкцию, пусть это и выходит за рамки той информации, что дают общепризнанные авторитеты?...заметьте что Мондфельд или Андерсон,Хоккель не приводят примера того ,как "подвесил" рей Bjorn Landstrom(см.иллюстрацию выше),не думаю что он" нарисовал от фонаря",это было бы нелепо...в такой серьезной монографии.
С Уважением
Кирилл
С Уважением
Кирилл
На" стапеле": Spanish Galleon Lee 1:100 plastic kit http://karopka.ru/forum/forum190/topic10341/
https://shipsofscale.com/sosforums/thre ... eted.7827/
https://www.rijksmuseum.nl/en/rijksstud ... tions/arts
https://shipsofscale.com/sosforums/thre ... eted.7827/
https://www.rijksmuseum.nl/en/rijksstud ... tions/arts
- eugen.t
- Сообщения: 2848
- Зарегистрирован: Вс сен 02, 2007 20:12
- Откуда: Baden-Württemberg
- Благодарил (а): 147 раз
- Поблагодарили: 473 раза
Re: Такелаж галеона 16-17 века
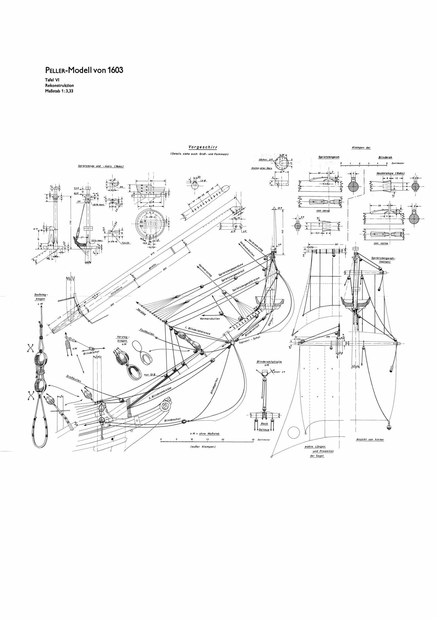
Кирилл- наверное нужно обратить внимание на Peller модель 1603- считается что это самая старая модель в Германии ( этакий германский Матаро Нао)
- kirill4.66
- Сообщения: 3131
- Зарегистрирован: Пт сен 30, 2011 12:31
- Откуда: Санкт-Петербург
- Благодарил (а): 618 раз
- Поблагодарили: 219 раз
Re: Такелаж галеона 16-17 века
Спасибо,
Я бы с превеликим удовольствием...Впервые от Вас об этом услышал
...не поделитесь ссылкой? В смысле если таковая есть-фото самой модели? И приведенный Вами фрагмент- есть ли какой способ заполучить такие же чертежи? Классно все прорисовано!На меня произвела впечатление деталировка,могу представить себе как это смотрится в полном объеме!
По редким сохранившимся старинным моделям- Андерсон часто ссылается на то что при реставрации некоторые элементы такелажа модели искажаются реставратором...впрочем я полагаю это не относится к той модели на которую Вы ссылаетесь,на этом чертеже детали рангоута бушприта как раз для изображенного способа подвески.
И все же, что Вы сами думаете по поводу гравюр и моей "перестановки"?....у меня честно говоря в этом контексте(рей на палубу+ абордажный "якорь",который надо "отдать" принеобходимости) вызывает сомнение наличие слинга или ракс бугеля...абордажный якорь хорошо согласуется с тактикой испанцев в то время-один залп и абордаж...а стационарный слинг или ракс бугель -нет...+принять во внимание что Андерсон в разделе "организации" такелажа блинда упоминает что на некоторых моделях ракс-бугель отсутствует...потом наличие "превентер" брасов в дополнение к стандартным ...как мне кажется косвенные(а на гравюрах и прямые) свидетельства дают право на существование такой версии подвески блинда рея,где ракс бугель отсутствует...на той же гравюре Tre Kroner, ракс бугеля не видно вроде...каково Ваше мнение ?
С Уважением.
Я бы с превеликим удовольствием...Впервые от Вас об этом услышал
По редким сохранившимся старинным моделям- Андерсон часто ссылается на то что при реставрации некоторые элементы такелажа модели искажаются реставратором...впрочем я полагаю это не относится к той модели на которую Вы ссылаетесь,на этом чертеже детали рангоута бушприта как раз для изображенного способа подвески.
И все же, что Вы сами думаете по поводу гравюр и моей "перестановки"?....у меня честно говоря в этом контексте(рей на палубу+ абордажный "якорь",который надо "отдать" принеобходимости) вызывает сомнение наличие слинга или ракс бугеля...абордажный якорь хорошо согласуется с тактикой испанцев в то время-один залп и абордаж...а стационарный слинг или ракс бугель -нет...+принять во внимание что Андерсон в разделе "организации" такелажа блинда упоминает что на некоторых моделях ракс-бугель отсутствует...потом наличие "превентер" брасов в дополнение к стандартным ...как мне кажется косвенные(а на гравюрах и прямые) свидетельства дают право на существование такой версии подвески блинда рея,где ракс бугель отсутствует...на той же гравюре Tre Kroner, ракс бугеля не видно вроде...каково Ваше мнение ?
С Уважением.
На" стапеле": Spanish Galleon Lee 1:100 plastic kit http://karopka.ru/forum/forum190/topic10341/
https://shipsofscale.com/sosforums/thre ... eted.7827/
https://www.rijksmuseum.nl/en/rijksstud ... tions/arts
https://shipsofscale.com/sosforums/thre ... eted.7827/
https://www.rijksmuseum.nl/en/rijksstud ... tions/arts
- kirill4.66
- Сообщения: 3131
- Зарегистрирован: Пт сен 30, 2011 12:31
- Откуда: Санкт-Петербург
- Благодарил (а): 618 раз
- Поблагодарили: 219 раз
Re: Такелаж галеона 16-17 века
Доброго времени,
Насчет чертежей и модели Peller 1603 -нашел ответ в ветке по испанским галеонам...такелаж(рисунок)- чья-то современная реконструкция...жаль,не то тогда...
Насчет чертежей и модели Peller 1603 -нашел ответ в ветке по испанским галеонам...такелаж(рисунок)- чья-то современная реконструкция...жаль,не то тогда...
На" стапеле": Spanish Galleon Lee 1:100 plastic kit http://karopka.ru/forum/forum190/topic10341/
https://shipsofscale.com/sosforums/thre ... eted.7827/
https://www.rijksmuseum.nl/en/rijksstud ... tions/arts
https://shipsofscale.com/sosforums/thre ... eted.7827/
https://www.rijksmuseum.nl/en/rijksstud ... tions/arts
- kotbayun
- Сообщения: 1421
- Зарегистрирован: Ср дек 03, 2008 1:17
- Откуда: La Habana
- Благодарил (а): 63 раза
- Поблагодарили: 79 раз
Re: Такелаж галеона 16-17 века
Кирилл. привет!
Кратко обрисую своё видение темы: Какая "конструкция" проводки такелажа блинда-рея более верна?
Верны обе схемы. Только схема крепления б.-рея БЛИНДА-РЕПОМ(петлей) - более ранняя и изменялась(совершенствовалась) до 15-го в. и к нач. 16-го в. приобрела тот вид, который мы знаем. Крепление совершенствовалось подобно креплениям фок- и грот- мачт. В кон. 16-го -нач. 17-го в. блинда-рей вешали на ракс-бугеле. Но одновременно "старая" схема с блинда-репом так же работала и оказалась более "жизнеспособной". Примерно до сер. 18-го в. обе эти схемы использовались на флоте, и м. б. "старая" схема с блинда-репом применялась чаще. Потом конструкция бушприта изменилась.
Я склоняюсь перед выбором более простым -БЛИНДА-РЕПОМ(петлей).
Ну. опять же, хозяин -барин.
PS. По определению (примерному конечно) периода времени рисунков судов 16-17 в.в. стоит обратить внимание на штаги. Их "паутины" изменялись достаточно динамично и в разных странах по-своему, имхо.
Кратко обрисую своё видение темы: Какая "конструкция" проводки такелажа блинда-рея более верна?
Верны обе схемы. Только схема крепления б.-рея БЛИНДА-РЕПОМ(петлей) - более ранняя и изменялась(совершенствовалась) до 15-го в. и к нач. 16-го в. приобрела тот вид, который мы знаем. Крепление совершенствовалось подобно креплениям фок- и грот- мачт. В кон. 16-го -нач. 17-го в. блинда-рей вешали на ракс-бугеле. Но одновременно "старая" схема с блинда-репом так же работала и оказалась более "жизнеспособной". Примерно до сер. 18-го в. обе эти схемы использовались на флоте, и м. б. "старая" схема с блинда-репом применялась чаще. Потом конструкция бушприта изменилась.
Я склоняюсь перед выбором более простым -БЛИНДА-РЕПОМ(петлей).
Ну. опять же, хозяин -барин.
PS. По определению (примерному конечно) периода времени рисунков судов 16-17 в.в. стоит обратить внимание на штаги. Их "паутины" изменялись достаточно динамично и в разных странах по-своему, имхо.
В один ненастный день, в тоске нечеловечьей,
Не вынеся тягот, под скрежет якорей,
Мы всходим на корабль, и происходит встреча
Безмерности мечты с предельностью морей.
Не вынеся тягот, под скрежет якорей,
Мы всходим на корабль, и происходит встреча
Безмерности мечты с предельностью морей.
- kirill4.66
- Сообщения: 3131
- Зарегистрирован: Пт сен 30, 2011 12:31
- Откуда: Санкт-Петербург
- Благодарил (а): 618 раз
- Поблагодарили: 219 раз
Re: Такелаж галеона 16-17 века
Доброго времени суток,
Господа,
Не подскажете где посмотреть (ссылку на модели,рисунки) варианты крепления цепного вант-путенса,та часть которая крепится к борту...кроме Хоккеля...
С Уважением.
Кирилл
Господа,
Не подскажете где посмотреть (ссылку на модели,рисунки) варианты крепления цепного вант-путенса,та часть которая крепится к борту...кроме Хоккеля...
С Уважением.
Кирилл
На" стапеле": Spanish Galleon Lee 1:100 plastic kit http://karopka.ru/forum/forum190/topic10341/
https://shipsofscale.com/sosforums/thre ... eted.7827/
https://www.rijksmuseum.nl/en/rijksstud ... tions/arts
https://shipsofscale.com/sosforums/thre ... eted.7827/
https://www.rijksmuseum.nl/en/rijksstud ... tions/arts
-
Игорь Куцолаба
- Сообщения: 2521
- Зарегистрирован: Сб авг 16, 2008 12:29
- Откуда: Санкт-Петербург
- Благодарил (а): 235 раз
- Поблагодарили: 365 раз
- kirill4.66
- Сообщения: 3131
- Зарегистрирован: Пт сен 30, 2011 12:31
- Откуда: Санкт-Петербург
- Благодарил (а): 618 раз
- Поблагодарили: 219 раз
Re: Такелаж галеона 16-17 века
Игорь,
Большое спасибо!
Мой вариант,который я уже начал- очень похож ...тогда так и оставлю, во всяком случае цепь предполагается "крепить" через обух на бархоуте...у меня в этом моменте были сомнения...юферс правда поставлю с тремя отверстиями...
Большое спасибо!
Мой вариант,который я уже начал- очень похож ...тогда так и оставлю, во всяком случае цепь предполагается "крепить" через обух на бархоуте...у меня в этом моменте были сомнения...юферс правда поставлю с тремя отверстиями...
На" стапеле": Spanish Galleon Lee 1:100 plastic kit http://karopka.ru/forum/forum190/topic10341/
https://shipsofscale.com/sosforums/thre ... eted.7827/
https://www.rijksmuseum.nl/en/rijksstud ... tions/arts
https://shipsofscale.com/sosforums/thre ... eted.7827/
https://www.rijksmuseum.nl/en/rijksstud ... tions/arts
- kirill4.66
- Сообщения: 3131
- Зарегистрирован: Пт сен 30, 2011 12:31
- Откуда: Санкт-Петербург
- Благодарил (а): 618 раз
- Поблагодарили: 219 раз
Re: Такелаж галеона 16-17 века
Всем доброго времени,
Вопрос вот еще есть,
Как по вашему мнению, возможен ли вариант ,что ванты бонавентур мачты галеона конца 16 века набивались посредством блоков как на представленных ниже вариантах реконструкций,а не юферсов....с учетом того, что на бонавентур мачте только латинский парус...возможность такого варианта -по аналогии с моделью каравеллы и Die.Kraeck-1475...
Видел ли кто такой вариант на какой-либо реконструкции галеона?...Мне почему-то кажется что такой вариант для бонавентур мачты вполне вероятен...
С Уважением
Кирилл
Вопрос вот еще есть,
Как по вашему мнению, возможен ли вариант ,что ванты бонавентур мачты галеона конца 16 века набивались посредством блоков как на представленных ниже вариантах реконструкций,а не юферсов....с учетом того, что на бонавентур мачте только латинский парус...возможность такого варианта -по аналогии с моделью каравеллы и Die.Kraeck-1475...
Видел ли кто такой вариант на какой-либо реконструкции галеона?...Мне почему-то кажется что такой вариант для бонавентур мачты вполне вероятен...
С Уважением
Кирилл
На" стапеле": Spanish Galleon Lee 1:100 plastic kit http://karopka.ru/forum/forum190/topic10341/
https://shipsofscale.com/sosforums/thre ... eted.7827/
https://www.rijksmuseum.nl/en/rijksstud ... tions/arts
https://shipsofscale.com/sosforums/thre ... eted.7827/
https://www.rijksmuseum.nl/en/rijksstud ... tions/arts
-
Игорь Куцолаба
- Сообщения: 2521
- Зарегистрирован: Сб авг 16, 2008 12:29
- Откуда: Санкт-Петербург
- Благодарил (а): 235 раз
- Поблагодарили: 365 раз
Re: Такелаж галеона 16-17 века
Для каракки я бы даже не сомневался. А вот галеон...не сомневался бы то же 
-
Игорь Куцолаба
- Сообщения: 2521
- Зарегистрирован: Сб авг 16, 2008 12:29
- Откуда: Санкт-Петербург
- Благодарил (а): 235 раз
- Поблагодарили: 365 раз
Re: Такелаж галеона 16-17 века
Допустимый размер, ну нет слов... недопустимо мал. Если не видно, поверьте, что на всех картинках русленей бизани нет.



